差動、重合閘、絕緣監視及其他繼電器系列
您現在的位置:首頁 >> 我們的產品 >> 繼電器 >> 差動、重合閘、絕緣監視及其他繼電器系列
ZJJ-2C絕緣監視繼電器_ZJJ-2C繼電器_廠家直銷
差動、重合閘、絕緣監視及其他繼電器系列
ZJJ-2C型直流絕緣監視繼電器應用范圍
ZJJ-2C型直流絕緣監視繼電器是監視直流母線絕緣情況的一種繼電器,并適用于監視低壓直流母線絕緣情況。當母線對地絕緣降低到一定值時,繼電器可預發警告信號。
ZJJ-2C型直流絕緣監視繼電器主要技術參數
電壓等級和電流值: 220V、1.5mA; 110V、3.1mA;48V、6.3mA。
繼電器動作值:當母線任何一側對地絕緣電阻下降到下表值時,繼電器應靠動作。

觸點容量:在電壓不大于250V,電流不大于2A的直流有感負荷電路中(時間常數不大于5±0.75ms) ,斷開容量不大于50W。
觸點壽命:繼電器輸出接點在上條規定的負荷條件下,產品能可靠動作及返回104次。
功率消耗:不大于7.5W。
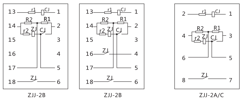
ZJJ-2C型直流絕緣監視繼電器內部接線及外引接線圖

ZJJ-2C型直流絕緣監視繼電器形及開孔尺寸




打印當前頁
發郵件給我們: 1932551438@qq.com
手機: 18930817953




