新聞公告:
SSJ-11A靜態時間繼電器,繼電器工作原理
SSJ-21A靜態時間繼電器廠家
SSJ-11B繼電器_時間繼電器原理
DL-21CE電流繼電器工作原理
DL-11電流繼電器生產廠家介紹
配電箱的常見問題和解決方法
沖擊繼電器原理是什么?日常如何維護?
如何選擇配電箱?應該選擇什么型號?
繼電器節電器電路原理圖
如何正確使用以確保舌簧繼電器的可靠性?
中間繼電器的原理是什么 用途有哪些
配電箱安裝和明裝有點搞混了?
基于穩壓技術的智能照明節能配電柜
延時繼電器:工作原理與接線方法
時間繼電器的使用方法和接線圖
什么是電磁繼電器驅動電路?常見的電磁繼電器驅動電路有哪些?
低壓繼電器的使用和選擇原則
舌簧繼電器作用和特點
功率繼電器選型要考慮哪些參數
繼電器的電符號/繼電器的選用
服務熱線:021-57233089
搜索
我們的產品
微機保護裝置
SJP-500微機綜合保護裝置(通用型)
SJP-500B微機綜合保護裝置(電流型)
SJP-600微機綜合保護裝置(通用型)
SJP-600A微機綜合保護裝置(電流)
SJP-600B微機綜合保護裝置(電流+電壓)
SJP-600C微機綜合保護裝置(電流+ 防跳)
SJP-600E微機綜合保護裝置(PT保護)
SJP-700微機綜合保護裝置(通用型)
SJP-800微機綜合保護裝置(通用型)
SJP-860微機綜合保護裝置(消諧)
SJP-870微機綜合保護裝置(消諧+PT)
SJP-890微機差動保護裝置(差動保護)
繼電器
電流繼電器系列
電壓繼電器系列
時間繼電器系列
信號、閃光繼電器系列
中間繼電器系列
模數化結構繼電器系列
沖擊、同步、接地、雙位置繼電器系列
差動、重合閘、絕緣監視及其他繼電器系列
電力儀表
單相電力儀表
三相電力儀表
多功能電力儀表
智能操控裝置
開關狀態顯示儀
智能操控裝置
智能無線測溫裝置
綜合自動化配網系統
自動化系統
通訊管理機
智能化配網電源
首頁
我們的產品
關于上繼
客戶服務
銷售網絡
加入上繼
新聞動態
聯系我們
微機保護裝置
您現在的位置:
首頁
>>
我們的產品
>>
微機保護裝置
顯示上一幅圖片
顯示下一幅圖片
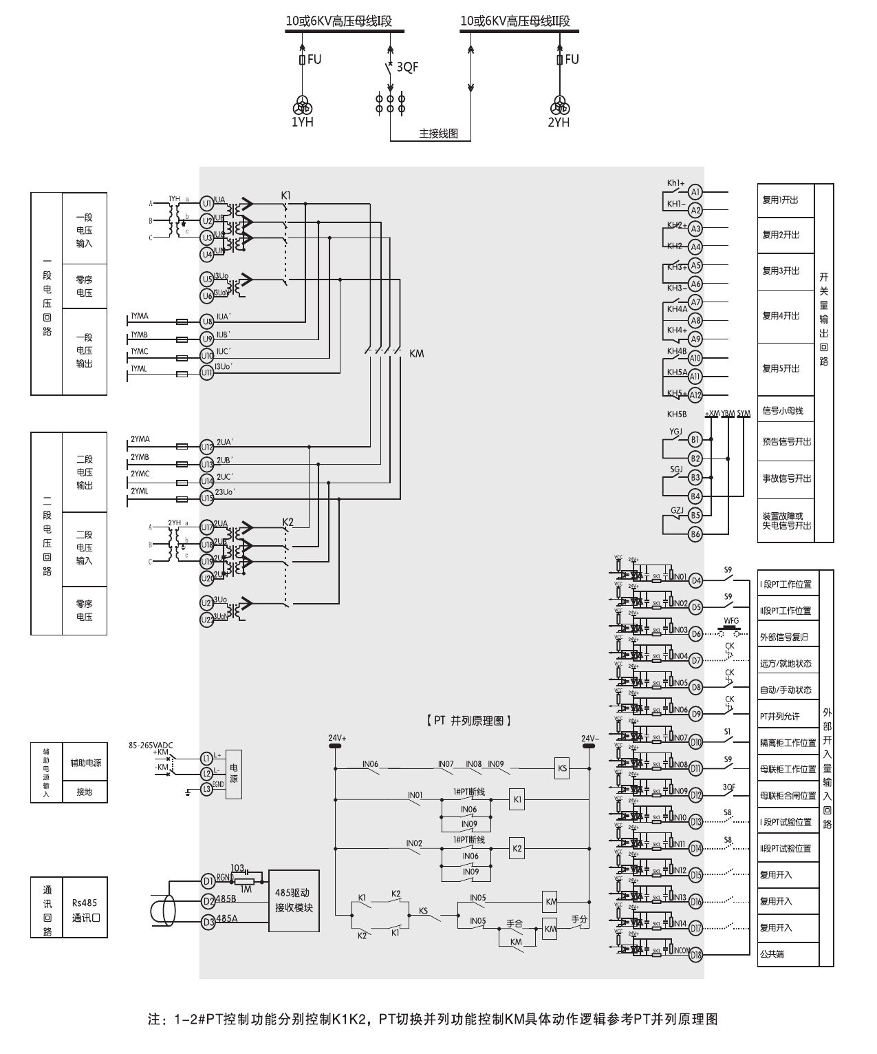
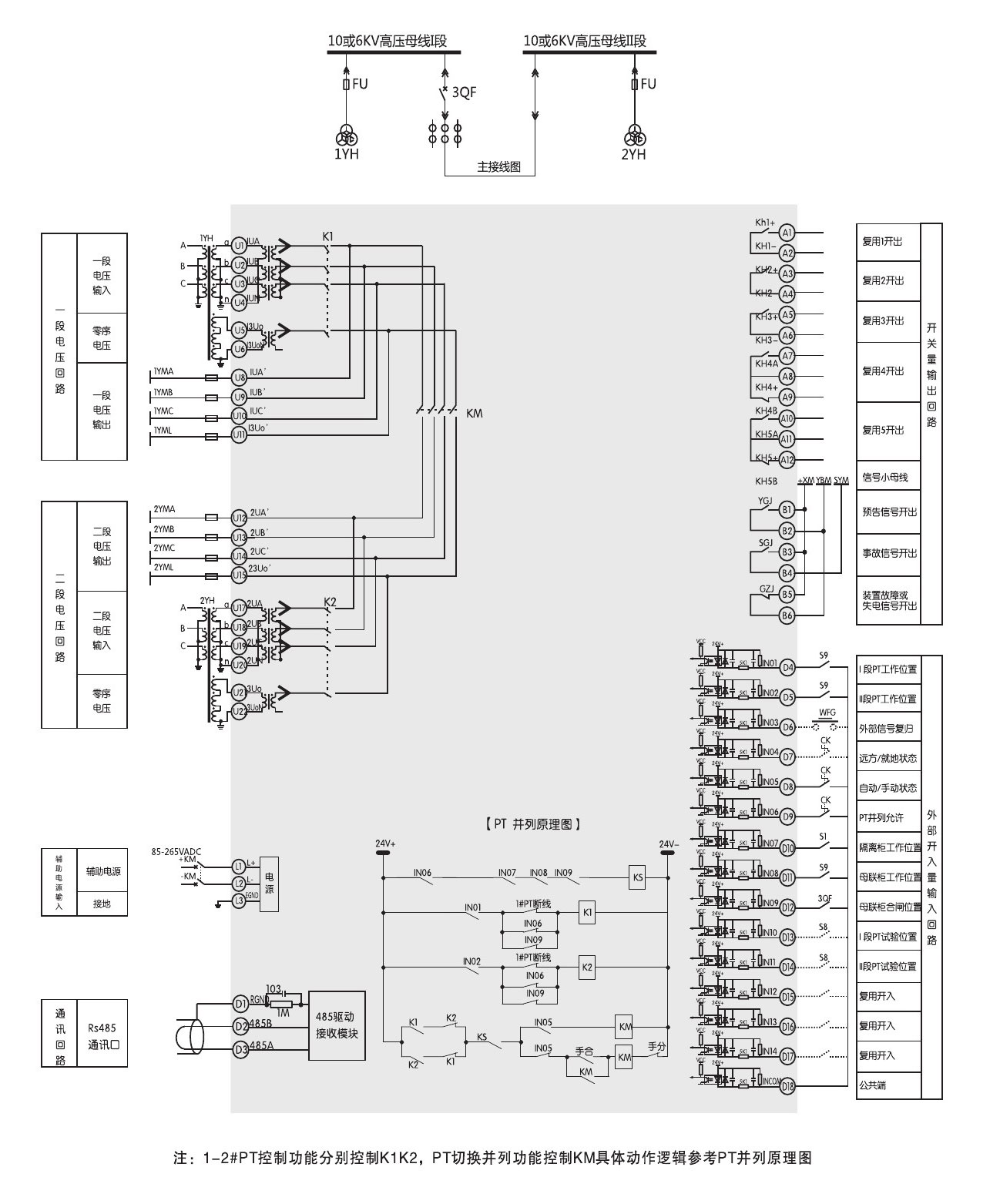
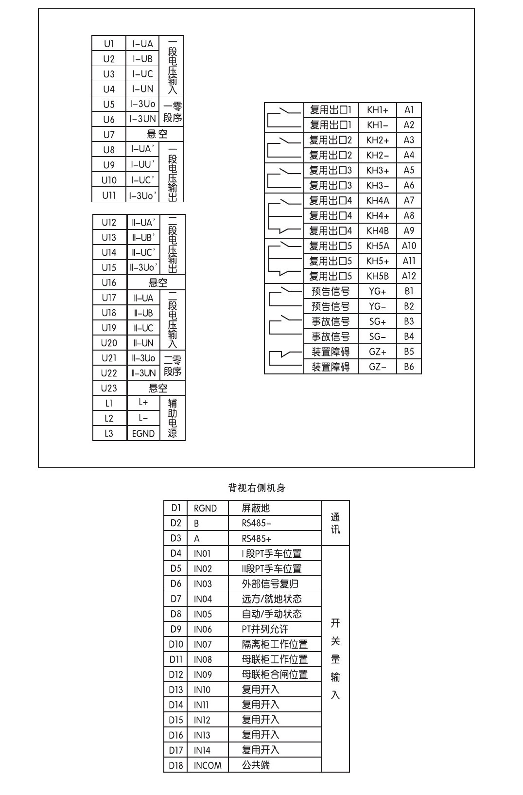
SJP-600E微機綜合保護裝置(PT保護)
微機保護裝置
打印當前頁
發郵件給我們: 1932551438@qq.com
手機: 18930817953
立即詢價
分享到:
產品概述
產品參數
產品尺寸
上一篇:
SJP-700微機綜合保護裝置(通用型)
下一篇:
SJP-800微機綜合保護裝置(通用型)
相關產品
SJP-600微機綜合保護裝置(
SJP-600A微機綜合保護裝置
SJP-600B微機綜合保護裝置
SJP-600C微機綜合保護裝置
在線交流
QQ:1932551438
快速咨詢
電話:021-57233089
公司地址
上海市金山區亭衛公路9299號
下載中心
產品PDF技術文檔
服務中心
資質證書
服務流程
下載中心
加入上繼
人才理念
公司薪酬和福利
員工風采
招賢納士
走進上繼
關于上繼
新聞資訊
應用經驗
銷售網絡
官方微博
銷售微信
聯系我們
021-57233089
歡迎致電咨詢
友情鏈接:
電力電容器
微機保護
Copyright @ 2016 上海上繼科技有限公司 版權所有All Rights Reserved.
滬ICP備15021163號-1
Sitemap
滬公網安備 31011602001871號
021-57233089
點擊交談
首頁
關于
產品
聯系