上海上繼科技有限公司about
應用經驗 您現在的位置:首頁 >> 新聞動態 >> 應用經驗

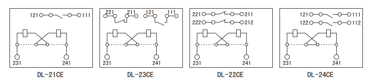
DL-21CE電流繼電器工作原理-上海上繼科技有限公司

發表時間:2025-01-13 23:01 瀏覽次數:3534 〖返回〗

DL-21CE電流繼電器產品參數

●動作誤差:不大于6%。

●動作時間:1.1倍實測動作值時不大于0.12s 2倍實測動作值時不大于0.04s

●動作一致性:不大于5%。

●觸點容量:在電壓不超過250V,電流不超過5A,時間常數為5±0.75ms的直流有感負荷電路中,產品輸出觸點的斷開容量為50W。輸出觸點在上述規定的負荷條件下,產品能可靠動作及返回5×104次。輸出觸點長期允許接通電流為5A。

●介質強度:產品各導電端子連在一起,對外露的非帶電金屬部分或外殼之間,能承受2000V(有效值)50Hz的交流電壓歷時1分鐘試驗而無絕緣擊穿或閃絡現象。



DL-21CE電流繼電器產品內部接線及外引接線圖

1504249698861840.png

1700705151793904.jpg

公司介紹:上海上繼科技有限公司是一家專業從事電力系統繼電保護及智能電網電力自動化產品的研發、設計、生產、銷售和服務為一體的高科技公司。擁有資深繼電保護專家團隊和國內**的檢測儀器及校驗設備。同時還引用國內外先進技術,來進行技術創新。本公司的產品廣泛用于電力、工礦、鐵路、建筑等國家重大工程輸配變電系統上,產品遠銷東南亞及中東地區。產品通過國家繼電保護及自動化設備質量監督檢驗中心檢測,獲得ISO9001國際質量體系認證?!翱萍紕撔拢\信務實”是公司的經營理念,本公司以高超的技術支持和對用戶高度負責的售后服務贏得了輸配電成套企業的信賴,且樹立了良好的信譽。

公司主營:繼電器時間繼電器,電壓繼電器,電流繼電器,中間繼電器,信號繼電器,閃光繼電器,沖擊繼電器,同步檢查繼電器,接地繼電器,差動繼電器,重合閘繼電器,絕緣監視繼電器,雙位置繼電器,模數化繼電器),智能操控裝置,微機保護裝置,電力儀表


上海上繼科技有限公司(專注電力保護繼電器生產廠家)銷售熱線:021-57233089  QQ:1932551438



{以上內容僅供參考,上海上繼科技有限公司有最終解釋權}  

  更多繼電器精彩文章——延時繼電器:工作原理與接線方法-上海上繼科技有限公司

021-57233089

歡迎致電咨詢 24小時在線客服
Copyright @ 2016 上海上繼科技有限公司 版權所有All Rights Reserved. 滬ICP備15021163號-1Sitemap

滬公網安備 31011602001871號