沖擊、同步、接地、雙位置繼電器系列
您現在的位置:首頁 >> 我們的產品 >> 繼電器 >> 沖擊、同步、接地、雙位置繼電器系列
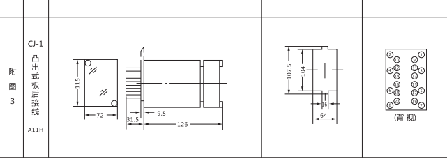
DLS-20型雙位置繼電器_工作原理_繼電器廠家
沖擊、同步、接地、雙位置繼電器系列
新聞公告:
服務熱線:021-57233089
沖擊、同步、接地、雙位置繼電器系列

滬公網安備 31011602001871號