BZS-11延時中間繼電器概述
中間繼電器的結構和原理與交流接觸器基本相同,與接觸器的主要區別在于:接觸器的主觸頭可以通過大電流,而中間繼電器的觸頭只能通過小電流。所以,它只能用于控制電路中。 它一般是沒有主觸點的,因為過載能力比較小。所以它用的全部都是輔助觸頭,數量比較多。
BZS-11延時中間繼電器主要技術參數
額定電壓:AC 220V、110V;DC 220V、110V、48V、24V。
接點形式:8動合;6動合2動斷;4動合4動斷;2動合6動斷;8動斷。
動作值:直流繼電器動作電壓不大于70%額定電壓;交流繼電器動作電壓不大于85%額定電壓
返回值:繼電器返回電壓不小于5%額定電壓。
延時整定誤差:不大于整定值的2%。
功率消耗:直流不大于10W;交流不大于10VA。
觸點容量:在電壓不超過250V,電流不超過5A,時間常數為5±0.75ms的直流有感負荷電路中,產品輸出觸點的斷開容量為50W。輸出觸點在上述規定的負荷條件下,產品能可靠動作及返回5×104次。輸出觸點長期允許接通電流為5A。
介質強度:產品各導電端子連在一起,對外露的非帶電金屬部分或外殼之間,能承受2000V(有效值)50Hz的交流電壓歷時1分鐘試驗而 無絕緣擊穿或閃絡現象。
BZS-11延時中間繼電器產品延時分類表
動作延時
返回延時
備注
BZS-11
0.1-1s
BZS-15
0.1-1s
型號末端帶表示交流規格
BZS-12
0.2-2.5s
BZS-16
0.2-2.5s
BZS-13
0.5-5s
BZS-17
0.5-5s
BZS-14
1-10s
BZS-18
1-10s
BZS-11延時中間繼電器內部接線圖及外引接線圖

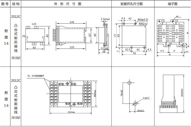
BZS-11延時中間繼電器外形及開孔尺寸

- 上一篇:沒有了
- 下一篇:DZ-3/Z1中間繼電器_DZ-3/Z1繼電器_外形尺寸圖



中間繼電器系列
打印當前頁
發郵件給我們: 1932551438@qq.com
手機: 18930817953




